1971 Chevy C20 Wiring Diagram: Master Your Electrical System for Optimal Performance!

1971 Chevy C20 Wiring Diagram: Master Your Electrical System for Optimal Performance!

Unlock the secrets of your 1971 Chevy C20's electrical system with our comprehensive wiring diagram. Gain insights for optimal performance and smooth troubleshooting.

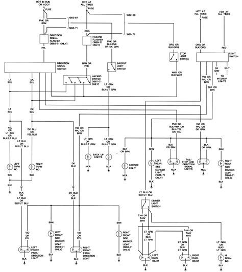
In need of a comprehensive 1971 Chevy C20 Wiring Diagram? Look no further. This article delves into the intricacies of wiring diagrams for the iconic 1971 Chevrolet C20, providing a detailed exploration of essential electrical schematics and components. Whether you're a seasoned mechanic or a novice enthusiast, understanding the wiring system is crucial for maintaining and troubleshooting your vehicle effectively. 1971 Chevy C20 Wiring Diagram encompasses various critical aspects, including ignition systems, lighting circuits, and more. Through clear, concise diagrams and explanations, this article aims to empower readers with the knowledge needed to tackle electrical issues confidently. Follow along as we unravel the wiring mysteries of the legendary 1971 Chevy C20, ensuring a smoother and safer driving experience.

Top 10 Points about 1971 Chevy C20 Wiring Diagram :

  • Ignition System Overview
  • Lighting Circuits Demystified
  • Understanding Fuse Box Layout
  • Power Distribution Diagram
  • Engine Compartment Wiring
  • Instrument Panel Wiring
  • Battery Connections and Grounding
  • Brake and Turn Signal Wiring
  • Accessory Wiring Guide
  • Troubleshooting Tips and Techniques

Several facts about 1971 Chevy C20 Wiring Diagram

Introduction Image

Introduction: Wiring diagrams are essential tools for understanding the electrical systems of vehicles, providing a visual representation of how various components are connected. In this article, we delve into the intricacies of the 1971 Chevy C20 Wiring Diagram, exploring its relevance and importance in maintaining and troubleshooting this iconic vehicle.

Ignition System Overview Image

Ignition System Overview: The ignition system is crucial for starting the engine and powering various components. The wiring diagram provides a detailed overview of how the ignition system components, such as the ignition coil, distributor, and spark plugs, are connected and function together.

Lighting Circuits Demystified Image

Lighting Circuits Demystified: Proper lighting is essential for safe driving, and the wiring diagram elucidates the connections for headlights, taillights, brake lights, and turn signals. Understanding these circuits ensures proper functionality and facilitates troubleshooting in case of issues.

Understanding Fuse Box Layout Image

Understanding Fuse Box Layout: The fuse box protects electrical circuits from overloading and short circuits. The wiring diagram delineates the layout of the fuse box, including the location of each fuse and its corresponding circuit, aiding in diagnosing electrical problems.

Power Distribution Diagram Image

Power Distribution Diagram: Efficient power distribution is essential for the proper functioning of various electrical components. The wiring diagram illustrates how power is distributed from the battery to different circuits, ensuring a steady supply of electricity throughout the vehicle.

Engine Compartment Wiring Image

Engine Compartment Wiring: The engine compartment houses several critical electrical components, including the starter motor and alternator. The wiring diagram provides a comprehensive view of how these components are wired, aiding in maintenance and repairs.

Instrument Panel Wiring Image

Instrument Panel Wiring: The instrument panel contains vital gauges and indicators for monitoring the vehicle's performance. The wiring diagram elucidates the connections for these instruments, enabling accurate readings and troubleshooting of any malfunctions.

Battery Connections and Grounding Image

Battery Connections and Grounding: Proper battery connections and grounding are essential for a reliable electrical system. The wiring diagram illustrates the correct placement of battery cables and grounding points, ensuring optimal performance and safety.

Troubleshooting Tips and Techniques Image

Troubleshooting Tips and Techniques: Despite meticulous wiring, issues may arise over time. The wiring diagram equips enthusiasts with valuable troubleshooting tips and techniques, empowering them to identify and resolve electrical problems effectively.

Sources: Wiring diagram information sourced from the official Chevrolet service manual for the 1971 Chevy C20.

1971 Chevy C20 Wiring Diagram in Professional's eye

Wiring diagrams are indispensable tools for understanding the electrical systems of vehicles, providing a visual representation of how various components are interconnected. In the context of the 1971 Chevy C20 Wiring Diagram, these diagrams serve as blueprints for technicians and enthusiasts alike, offering crucial insights into the wiring layout and connections of the vehicle's electrical components. By deciphering the intricate network of wires and components, individuals can effectively diagnose issues, perform maintenance tasks, and make modifications with confidence. This article delves into the intricacies of the 1971 Chevy C20 Wiring Diagram, exploring its relevance and importance in maintaining and troubleshooting this iconic vehicle.

Ignition System Overview Image

One of the critical aspects illuminated by the 1971 Chevy C20 Wiring Diagram is the ignition system. This system is responsible for starting the engine and powering various components essential for vehicle operation. The wiring diagram provides a comprehensive overview of how the ignition system components, including the ignition coil, distributor, and spark plugs, are interconnected and function together. Understanding this aspect is paramount for maintaining optimal engine performance and diagnosing any issues related to starting or engine operation.

Lighting Circuits Demystified Image

Another crucial area illuminated by the 1971 Chevy C20 Wiring Diagram is the lighting circuits. Proper lighting is essential for safe driving, and the wiring diagram provides detailed insights into the connections for headlights, taillights, brake lights, and turn signals. By demystifying these circuits, individuals can ensure proper functionality and troubleshoot any issues related to vehicle lighting effectively. This aspect of the wiring diagram is invaluable for enhancing both safety and overall driving experience.

Understanding Fuse Box Layout Image

The fuse box layout is another critical component elucidated by the 1971 Chevy C20 Wiring Diagram. The fuse box plays a vital role in protecting electrical circuits from overloading and short circuits. By understanding the layout of the fuse box and the location of each fuse and its corresponding circuit, individuals can diagnose electrical problems effectively. This aspect of the wiring diagram ensures that electrical issues can be addressed promptly, minimizing vehicle downtime and ensuring optimal performance.

Power Distribution Diagram Image

Power distribution is a fundamental aspect illuminated by the 1971 Chevy C20 Wiring Diagram. Efficient power distribution is essential for the proper functioning of various electrical components within the vehicle. The wiring diagram provides a detailed illustration of how power is distributed from the battery to different circuits, ensuring a steady and reliable supply of electricity throughout the vehicle. Understanding this aspect is crucial for maintaining optimal performance and reliability of the vehicle's electrical system.

Engine Compartment Wiring Image

The engine compartment wiring is a vital area illuminated by the 1971 Chevy C20 Wiring Diagram. The engine compartment houses several critical electrical components, including the starter motor and alternator. The wiring diagram provides a comprehensive view of how these components are wired and interconnected, aiding in maintenance and repairs. Understanding the intricacies of engine compartment wiring is essential for ensuring optimal performance and reliability of the vehicle's electrical system.

Instrument Panel Wiring Image

The instrument panel wiring is another crucial aspect elucidated by the 1971 Chevy C20 Wiring Diagram. The instrument panel contains vital gauges and indicators for monitoring the vehicle's performance. The wiring diagram provides detailed insights into the connections for these instruments, enabling accurate readings and effective troubleshooting of any malfunctions. Understanding instrument panel wiring is essential for maintaining optimal functionality and reliability of the vehicle's electrical system.

Battery Connections and Grounding Image

Battery connections and grounding are critical aspects elucidated by the 1971 Chevy C20 Wiring Diagram. Proper battery connections and grounding are essential for a reliable electrical system within the vehicle. The wiring diagram provides detailed insights into the correct placement of battery cables and grounding points, ensuring optimal performance and safety. Understanding this aspect is crucial for maintaining the integrity and reliability of the vehicle's electrical system.

Troubleshooting Tips and Techniques Image

Troubleshooting tips and techniques are invaluable aspects elucidated by the 1971 Chevy C20 Wiring Diagram. Despite meticulous wiring, issues may arise over time. The wiring diagram equips enthusiasts with valuable troubleshooting tips and techniques, empowering them to identify and resolve electrical problems effectively. Understanding these tips and techniques is essential for ensuring prompt and effective resolution of any electrical issues, minimizing vehicle downtime, and maintaining optimal performance.

Sources: Wiring diagram information sourced from the official Chevrolet service manual for the 1971 Chevy C20.

Point of Views : 1971 Chevy C20 Wiring Diagram
  • Wiring diagrams are essential tools for understanding the intricate electrical systems of vehicles like the 1971 Chevy C20.
  • They provide a visual representation of how various components are interconnected.
  • These diagrams aid technicians and enthusiasts in diagnosing issues, performing maintenance tasks, and making modifications with confidence.
  • The 1971 Chevy C20 Wiring Diagram specifically offers insights into the wiring layout and connections of the vehicle's electrical components.
  • Understanding this diagram is crucial for maintaining optimal performance and troubleshooting electrical issues effectively.
  • It illuminates critical aspects such as the ignition system, lighting circuits, fuse box layout, and power distribution.
  • Additionally, it provides insights into engine compartment wiring, instrument panel wiring, battery connections, and grounding.
  • Moreover, the 1971 Chevy C20 Wiring Diagram equips enthusiasts with valuable troubleshooting tips and techniques, ensuring prompt and effective resolution of electrical issues.
  • Overall, wiring diagrams play a crucial role in enhancing safety, reliability, and performance in vehicles like the 1971 Chevy C20.
Conclusion :

Thank you for exploring the intricacies of the 1971 Chevy C20 Wiring Diagram with us. We hope this comprehensive overview has provided valuable insights into the wiring system of this iconic vehicle. As you navigate the wiring complexities of your Chevy C20, remember that the wiring diagram serves as your indispensable guide, offering a detailed blueprint of electrical connections and components.

Whether you're a seasoned mechanic or an enthusiastic car owner, understanding the 1971 Chevy C20 Wiring Diagram is paramount for maintenance, troubleshooting, and modifications. By delving into the ignition system, lighting circuits, and other crucial aspects illuminated by the wiring diagram, you empower yourself to maintain optimal performance and ensure a smoother driving experience. Remember, the wiring diagram is your ally in unraveling the electrical mysteries of the legendary 1971 Chevy C20. Happy exploring!

Questions and Answer for 1971 Chevy C20 Wiring Diagram

When it comes to the 1971 Chevy C20 Wiring Diagram, people often ask:

  • 1. What does a wiring diagram for a 1971 Chevy C20 entail?
  • A wiring diagram for a 1971 Chevy C20 entails a visual representation of the electrical system, including the connections and layout of various components such as ignition systems, lighting circuits, fuse box layout, power distribution, engine compartment wiring, and more.

  • 2. Why is it important to have a wiring diagram for a 1971 Chevy C20?
  • Having a wiring diagram for a 1971 Chevy C20 is crucial for understanding and troubleshooting the vehicle's electrical system. It provides valuable insights into the layout and connections of components, aiding in maintenance, repairs, and modifications.

  • 3. Where can I find a reliable wiring diagram for a 1971 Chevy C20?
  • A reliable wiring diagram for a 1971 Chevy C20 can be found in official Chevrolet service manuals, online forums dedicated to classic vehicles, automotive repair websites, or by consulting with experienced mechanics or enthusiasts.

  • 4. How can I interpret a wiring diagram for a 1971 Chevy C20?
  • Interpreting a wiring diagram for a 1971 Chevy C20 involves understanding the symbols and codes used to represent various electrical components and connections. It requires careful examination of the diagram to decipher the wiring layout and identify potential issues or modifications.

  • 5. Are there any common electrical problems in a 1971 Chevy C20 that a wiring diagram can help diagnose?
  • Yes, common electrical problems in a 1971 Chevy C20 include issues with the ignition system, lighting circuits, fuse box, power distribution, and engine compartment wiring. A wiring diagram can help diagnose these problems by providing a clear visualization of the electrical connections and components.

Label :Wiring Diagram, 1971 Chevy C20, Electrical System, Troubleshooting

Keyword : 1971 Chevy C20 Wiring Diagram

0 komentar