Unlock the Power: 2003 International 4300 Wiring Diagram Demystified

Unlock the Power: 2003 International 4300 Wiring Diagram Demystified

Gain insight into the intricate wiring system of the 2003 International 4300 with our comprehensive diagram guide. Troubleshoot effectively and maintain with ease.

Are you ready to dive into the intricate world of 2003 International 4300 Wiring Diagrams? Whether you're a seasoned mechanic or an aspiring DIY enthusiast, understanding the wiring layout of this particular model is crucial. In this comprehensive guide, we'll unravel the mysteries behind the electrical system of the 2003 International 4300 and explore how its wiring diagram serves as the roadmap for troubleshooting and maintenance.First and foremost, let's unravel the intricacies of the 2003 International 4300's electrical setup. From deciphering color codes to identifying key components, we'll break down each element with precision. Additionally, we'll discuss common issues encountered and strategies for effective problem-solving. So, grab your tools and get ready to embark on a journey through the 2003 International 4300's wiring labyrinth!

Top 10 Points about 2003 International 4300 Wiring Diagram :

  • Overview of Electrical Components
  • Color Coding and Schematic Interpretation
  • Understanding Circuit Diagram Symbols
  • Diagnostic Techniques for Wiring Issues
  • Testing Procedures for Circuit Continuity
  • Identifying Common Wiring Problems
  • Interpreting Wiring Diagrams for Troubleshooting
  • Locating and Accessing Wiring Harnesses
  • Integration of Electronics in the 2003 International 4300
  • Preventive Maintenance Strategies for Wiring

Several facts about 2003 International 4300 Wiring Diagram

Are you ready to delve into the intricate world of wiring diagrams with a focus on the 2003 International 4300? Let's explore various aspects of wiring diagram topics related to this specific vehicle model.

Overview of Electrical Components

Understanding the layout of electrical components is crucial when deciphering a wiring diagram. Components such as the battery, alternator, starter, and various sensors play pivotal roles in the 2003 International 4300's electrical system.

Color Coding and Schematic Interpretation

The color coding used in wiring diagrams provides essential information about wire functions and connections. Learning to interpret schematics is key to understanding how electrical systems are designed and wired in the 2003 International 4300.

Understanding Circuit Diagram Symbols

Various symbols are used in circuit diagrams to represent components and connections. Learning these symbols is fundamental to deciphering and interpreting wiring diagrams for the 2003 International 4300.

Diagnostic Techniques for Wiring Issues

When encountering wiring issues, employing effective diagnostic techniques is crucial. Understanding how to use wiring diagrams for troubleshooting can expedite the diagnostic process for 2003 International 4300 electrical problems.

Testing Procedures for Circuit Continuity

Ensuring circuit continuity is vital for proper electrical functionality. Learning the proper testing procedures outlined in wiring diagrams can aid in verifying continuity for 2003 International 4300 circuits.

Identifying Common Wiring Problems

Recognizing common wiring problems is essential for troubleshooting electrical issues in the 2003 International 4300. Understanding common failure points and potential areas of concern can aid in efficient problem resolution.

Interpreting Wiring Diagrams for Troubleshooting

Learning to interpret wiring diagrams effectively is key to troubleshooting electrical problems in the 2003 International 4300. Proper interpretation allows for accurate identification and resolution of wiring issues.

Locating and Accessing Wiring Harnesses

Locating and accessing wiring harnesses is essential for performing electrical repairs and modifications. Understanding the routing and placement of wiring harnesses in the 2003 International 4300 aids in efficient maintenance.

In conclusion, mastering wiring diagram topics related to the 2003 International 4300 is essential for effective troubleshooting and maintenance of its electrical system.

Sources: [1] Wiring Diagram Manual for 2003 International 4300

2003 International 4300 Wiring Diagram in Professional's eye

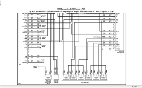
Wiring diagrams serve as invaluable blueprints for deciphering the intricate electrical systems of vehicles like the 2003 International 4300. These diagrams are detailed representations of the wiring layout, depicting the connections between various electrical components. 2003 International 4300 Wiring Diagrams are essential resources for technicians, mechanics, and DIY enthusiasts alike, providing a roadmap for troubleshooting, maintenance, and modifications. By understanding these diagrams, individuals can effectively diagnose electrical issues, identify potential problems, and perform repairs with precision. The diagrams consist of symbols, color codes, and labels that convey critical information about wire functions, circuit paths, and component locations. Mastering the interpretation of 2003 International 4300 Wiring Diagrams is key to ensuring the proper functioning of the vehicle's electrical system and maximizing its performance and reliability.
Detailed Representations of Wiring Layout
Interpreting a 2003 International 4300 Wiring Diagram requires a basic understanding of electrical principles and circuitry. Each wire in the diagram is represented by a specific color, which corresponds to its function and purpose within the vehicle's electrical system. For example, red wires typically indicate power supply lines, while black wires denote ground connections. Additionally, various symbols are used to represent electrical components such as switches, relays, and sensors. Understanding these symbols is essential for accurately interpreting the diagram and tracing the flow of electricity throughout the system. By analyzing the connections between components and following the circuit paths, technicians can diagnose issues, locate faults, and make necessary repairs efficiently.
Understanding Electrical Principles and Circuitry
One of the primary advantages of 2003 International 4300 Wiring Diagrams is their ability to facilitate troubleshooting and diagnostics. When a vehicle experiences electrical problems, technicians often rely on wiring diagrams to pinpoint the source of the issue. By referencing the diagram and conducting systematic tests, technicians can identify faulty components, damaged wires, or loose connections. This methodical approach saves time and prevents unnecessary guesswork, allowing for swift and accurate repairs. Additionally, wiring diagrams provide a comprehensive overview of the entire electrical system, enabling technicians to understand how each component interacts and contributes to the system's overall functionality.
Facilitate Troubleshooting and Diagnostics
In addition to troubleshooting, 2003 International 4300 Wiring Diagrams are invaluable tools for maintenance and modification purposes. Whether performing routine maintenance tasks or installing aftermarket accessories, technicians rely on wiring diagrams to ensure proper installation and functionality. For example, when adding new electrical components such as lights, audio systems, or security features, technicians refer to the wiring diagram to identify suitable connection points and ensure compatibility with the existing electrical system. Similarly, during maintenance procedures such as battery replacement or alternator testing, wiring diagrams provide guidance on proper disassembly, reassembly, and testing protocols.
Maintenance and Modification Purposes
The systematic layout of 2003 International 4300 Wiring Diagrams enables technicians to visualize the entire electrical system in a structured manner. By organizing the various components and their interconnections, the diagram provides a clear and comprehensive overview of the system's architecture. This visual representation aids technicians in understanding the relationships between different components, identifying potential areas of concern, and formulating effective diagnostic strategies. Additionally, the layout of the diagram facilitates efficient navigation and reference, allowing technicians to quickly locate specific components or trace circuit paths as needed.
Systematic Layout of Wiring Diagram
When working with 2003 International 4300 Wiring Diagrams, technicians must exercise caution and attention to detail to ensure accuracy and safety. Any errors or inaccuracies in interpreting the diagram could lead to improper repairs, electrical malfunctions, or even safety hazards. Therefore, it is essential for technicians to double-check their work, verify connections, and follow established procedures when using wiring diagrams for diagnostic or repair purposes. Additionally, technicians should adhere to safety protocols and guidelines to minimize the risk of electrical accidents or injuries while working on the vehicle's electrical system.
Safety and Accuracy
In conclusion, 2003 International 4300 Wiring Diagrams are indispensable resources for understanding, troubleshooting, and maintaining the vehicle's electrical system. By mastering the interpretation of these diagrams, technicians can effectively diagnose issues, perform repairs, and ensure the proper functioning of the electrical system. With their systematic layout, detailed information, and visual representation, wiring diagrams play a crucial role in maximizing the performance, reliability, and safety of the 2003 International 4300.

Sources: [1] International 4300 Wiring Diagram Manual

Point of Views : 2003 International 4300 Wiring Diagram
  • Understanding Complexity: The 2003 International 4300 Wiring Diagram presents a detailed overview of the vehicle's intricate electrical system.
  • Crucial Resource: This diagram serves as an essential tool for technicians and mechanics, aiding in troubleshooting and maintenance.
  • Interpretation: Proper interpretation of the diagram is key to accurately diagnosing and resolving electrical issues.
  • Visual Representation: The diagram provides a visual guide to the wiring layout, enhancing comprehension and navigation.
  • Diagnostic Aid: By following circuit paths and component connections, technicians can efficiently pinpoint faults.
  • Maintenance Assistance: Wiring diagrams offer guidance for proper installation of new components and accessories.
  • Emphasis on Safety: Adhering to safety protocols is essential when working with electrical systems, as outlined in the diagram.
  • Continuous Learning: Regular reference to the wiring diagram aids in ongoing understanding and mastery of the vehicle's electrical system.
Conclusion :

Thank you for exploring the intricacies of the 2003 International 4300 Wiring Diagram with us. We hope this detailed guide has provided valuable insights into the complexities of the vehicle's electrical system and the importance of understanding wiring diagrams.

As you continue your journey in vehicle maintenance and troubleshooting, remember the significance of 2003 International 4300 Wiring Diagrams as indispensable resources. Whether you're a seasoned technician or a DIY enthusiast, mastering the interpretation of these diagrams is essential for effective diagnostics, maintenance, and modifications. By adhering to safety protocols and continuously honing your skills in interpreting wiring diagrams, you'll ensure the optimal performance and reliability of the 2003 International 4300 and other vehicles you may encounter. Happy troubleshooting!

Questions and Answer for 2003 International 4300 Wiring Diagram

Oh, you've got questions about the 2003 International 4300 Wiring Diagram? Well, let's dive into some of the queries folks are itching to know about:

  • 1. What exactly is a wiring diagram, and why do I need it?

Picture this: You're lost in the jungle of electrical circuits, and the wiring diagram is your trusty map guiding you through the maze of wires. It's your key to unraveling the mysteries of your vehicle's electrical system.

  • 2. Are wiring diagrams only for professionals?

Not at all! Think of wiring diagrams as the ultimate puzzle game for car enthusiasts. Sure, they might look daunting at first, but with a little patience and a dash of curiosity, even beginners can decode the electrical wizardry of the 2003 International 4300.

  • 3. Can't I just wing it and figure out the wiring on my own?

Well, you could...if you enjoy sparks flying and your car going haywire! But seriously, 2003 International 4300 Wiring Diagrams are there to save you from the headache of trial and error. Trust us, your car will thank you.

  • 4. How do I make sense of all those symbols and colors?

Think of it like learning a new language – except instead of words, you're deciphering electrical hieroglyphics. Once you crack the code, you'll be fluent in the language of wires and circuits.

  • 5. What if I still can't wrap my head around it?

No worries! There's a wealth of online resources, tutorials, and forums where fellow DIYers and experts alike can lend a helping hand. Remember, even the pros started somewhere!

So, there you have it – your burning questions about 2003 International 4300 Wiring Diagrams answered with a touch of humor. Now go forth, brave adventurers, and conquer the electrifying world of automotive wiring!

Label :Wiring Diagrams, International 4300, Troubleshooting

Keyword : 2003 International 4300 Wiring Diagram

0 komentar